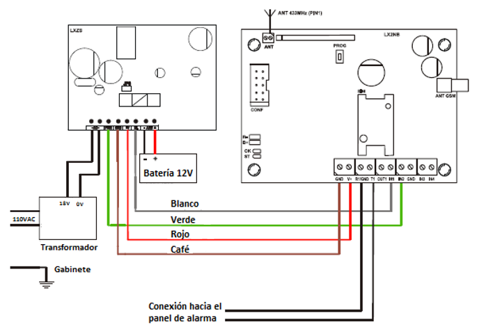
Visualice aquí el diagrama de conexión.

Actualizado el miércoles, 29 abril 2020
Artículos Relacionados
- Manual instalador comunicador WX2NB
- Notificación por SMS de los eventos de un sistema de alarma con un transmisor GPRS LX
- Requerimientos Para Puesta En Operación GPRS LX
- Agregar plantillas de video en Kronos NET 4.0
- Funcionamiento y significado de los 4 led en el transmisor GPRS LX
- Webinar configuración esencial de comunicadores GPRS EBS